壁掛洗面器混合栓タイプご案内です。L210CM+
 
 
       
 壁掛洗面器混合栓タイプご案内です。L210CM+
   
 
 
 
       
       
       
 
 
 
仕様(根拠TOTOカタP799) 
品番  取付穴径  手洗器一例
TLG11301J  35mm    L210
   
         
   https://search.toto.jp/scale_cnv/20_TLG04302JA.pdf    TLG04302JA
       
       
         
 
   https://jp.toto.com/products/faucetgroom/stand1holeg/
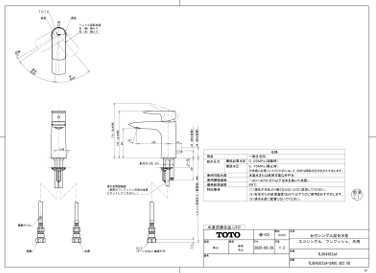
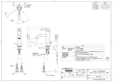
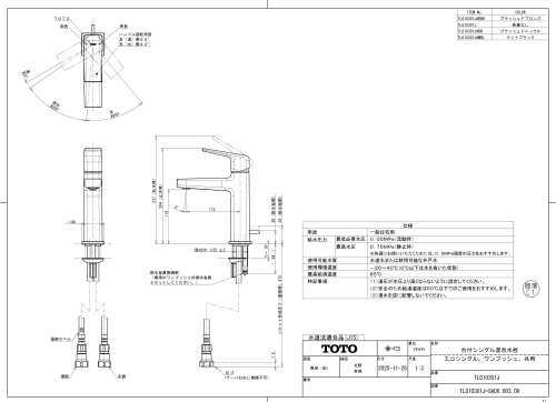
  洗面所用水栓金具 台付き1穴 
   
  https://jp.toto.com/search/?q=TLG04302JA&pageNo=1